Meine Anlage
Steckbrief:
| Maßstab: | 1:87 - H0 |
| Fläche: | 8 m² |
| Betrieb: |
Wechselstrom Märklin Digital auf Märklin K Gleis
im sichtbaren Bereich und Märklin C Gleis in den Schattenbahnhöfen. Eingeteilt in verschiedene Booster Stromkreise. Steuerbar über PC mit WinDigipet oder Manuell über Märklin Controller 6021 und CS2 |
| Gleislänge: | 77,35m |
| Weichen: | 23 |
| Abstellgleise: | 5 x im großen Schattenbahnhof und 3 x im kleinen Schattenbahnhof |
| Fahrzeuge: |
Märklin Wechselstrom Modelle, Faller Car System plus Car System Eigenbauten |
Wie alles begann
2005
Opa-Gernots-Anlage
Meine Jungs waren so begeistert das sie auch eine Modellbahn haben wollten
Also haben sie sich von ihrem Weihnachtsgeld jeder eine Startpackung gekauft
Anfangs haben wir immer alles auf dem Teppich aufgebaut
und mit ein paar Metall Gleisen aus altem Bestand haben wir dann die Anlage erweitert
Das erste Keyboard wurde zum 6021 Steuermodul hinzugefügt damit wir die Weichen
steuern konnten
2006
Nach etlichen Umbauten und versuchen auf Arbeitsplatten und Tapeziertischen habe ich beschlossen die Anlage richtig aufzubauen
Nach vielen Recherchen im Internet habe ich mir die Modellbahn Planungs Software WinTrack gekauft und die Anlage geplant,
angelehnt an die Anlage "Hausen" aus dem Märklin Magazin 03/2005.
Im Laufe der Jahre wurde noch einiges geändert, aber dies war der Entwurf
Der Gleisplan, mit Durchgangsbahnhof (1), Ringlokschuppen und Drehscheibe (2),
Güterverladerampe (3), Stadthäuser (4), Stahlbrücke (5),
ICE-Brücke (6),
Tunnelportalen (7), Bahnübergang (8), Industriegelände (9) und Burgruine (10)
Unter der Anlage befindet sich noch der große Schattenbahnhof (11), der kleine
Schattenbahnhof (12) sowie der Wendekreis für die ICE-Strecke (13).
Hier in
der 3D Ansicht gut zu erkennen
Die Loks aus altem Bestand habe ich nachträglich mit Digitaldecoder ausgerüstet damit diese ebenfalls digital gesteuert werden konnten
Aus zahlreichen Balken und Brettern habe ich dann den Tisch gezimmert.
Zwischendurch immer wieder mal Umbau des rollenden Materials
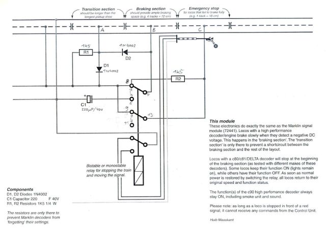
oder den selbstbau eines Bremsmodules mit dessen Hilfe die Züge bei der Einfahrt in den Bahnhof vorbildähnlich langsamer werden und schließlich stehen bleiben
Mit Hilfe der Planungs Software WinTrack wurden die Spanten ausgedruckt, zurecht gesägt und über die Anlage platziert
Bei der Planung wurde bereits der Aufbau einer Oberleitung berücksichtigt
Des Weiteren habe ich gleich den Einbau des Faller Car Systems mit eingeplant.
Hier gut zu sehen an der ersten Version des Bahnübergangs
2007
Der Selbstbau der Vitrine
Die Straße für das Car System wird nach dem einfräßen des Fahrdrahtes gespachtelt und lackiert
2008
Hier mal eine Zusammenstellung der gesamten Anlage. Gut zu sehen ist der noch offene Schattenbahnhof mit ICE und rechts das Bedienpult
Hier mal das Innenleben eines Car System Fahrzeuges
Ampelanlage Teil 1
Die Ampelanlage entsteht. Die Ampel LEDs werden über eine der 3
Anschlussplatinen gesteuert. Diese wiederum erhalten ihr Signal von dem USB
Controller
Der USB Controller erhält die Schaltbefehle von dieser Software. Hier kann ich
die Schaltzeiten aller Ampelphasen manuell einstellen.
Jetzt mit Zusatzfunktionen wie Blinkleuchten Steuerung für Abbieger (gelb) und
zwei Buttons für die nicht verwendeten Kanäle des Controllers.
2009
Umzug von Opa-Gernots-Anlage nach Weiterstadt
Neues Untergestell und neue Steuerung
Die Ampelanlage mit Weichen und Stoppstellen wird unter der Anlage eingebaut
Die Ampel ist in Funktion und die Straße erhält ihre Markierungen
Die ersten Versuche die Gleise einzuschottern (später zeige ich eine bessere
Methode)
Erst das Weißleim-Wasser-Gemisch zwischen die Schwellen spritzen und
anschließend mit dem Pinsel die Böschung bearbeiten
Den Schotter über die ein geleimte Fläche verteilen und nach dem Antrocknen
wieder mit einem Staubsauger entfernen. Mit diesem kleinen Staubsauger kann ich
den Schotter wieder verwenden.
Hier nun die versprochene (meiner Meinung nach) bessere Methode
Ich habe mir beim großen C den Schotterwagen von Proses gekauft
Etwaige Löscher kann man mit einer alten Leimflasche auffüllen
Und nun am besten von innen nach außen den Schotterkleber aufträufeln
Ich verwende hier den Schotterkleber von moba-technik mmm
Achtung:
Da der Schotterkleber relativ flüssig ist kann es passieren das er durch Ritze
und Löscher fließt.
Des Weiteren braucht der Kleber 2-3 Tage um abzutrocknen. Während dieser Zeit
verbindet der noch flüssige Kleber die Gleise.
Planung der Stahlbrücke und der Wendeschleife für die ICE Brücke
Die Verbindung beider Anlagen
Die Planung der ICE Brücke
links: das erste Widerlager ist fertig, rechts: das Widerlager der ICE Brücke ist
eingebaut
2010 nun ist auch das linke Widerlager fertig und die Brücke wird
eingebaut
jetzt geht es ans Tunnel bauen
links: Nummer eins ist fertig rechts: Nummer
2 und 3 ebenfalls
Die Planung der Blockstrecken, und die Umsetzung in WinDigiped
Die Planung der Stahlbrücke
Die Planung und Ausrichtung des Hauptbahnhofs
Schnur gerade Streckenführung durch Bahnhof und Stahlbrücke
Die Unterflurantriebe des Hauptbahnhofs
Die Planung des Bremsmodules
Das fertige Bremsmodul von oben und von unten
2011 Die erste Umrüstung eines stand Modelles zu Faller Car System
Fahrzeug
links: Herpa Feuerwehrauto rechts: das selbe
Auto nach der Umrüstung
Der Bau des Feuerwehrhauses beginnt Sascha hat diesen Nachbau des Feuerwehrhauses von Kandel
gesehen und war so begeistert das wir es auch nachbauen mussten
http://forum.miniatur-wunderland.de/modellbau-f12/nachbau-der-feuerwehr-kandel-in-h0-t25008.html
https://www.youtube.com/watch?v=p3awjLsfuRQ allerdings etwas kleiner da unsere Anlage nicht so groß ist links: die Planung
rechts: die ersten Bauteile aus Sperrholz
link: das Rolltor (noch farblos) und die Erker
rechts: die Rillen für den Faller Fahrdraht werden ein gefräst
links: die Weichen der Feuerwehrhallenzufahrt (Fahrdraht am
Servo befestigt) rechts: die
Hallenmauern und die bereits eingearbeiteten Fahrdrähte
Selbstbau eines Begrasungsgerätes Im Internet habe ich eine Anleitung gefunden wie man ein
Begrasungsgerät selbst bauen kann. links: mein Begrasungsgerät aus Teesieb und elektrischer
Fliegenpatche für 7,50 EUR recht: die ersten
Versuche Gras zum Stehen zu bewegen (sieht doch echt aus)
Das Kapitel Lockschuppen Die Stellprobe hat ergeben das es am besten ist den
Lockschuppen auf nur 5 Stände zu beschränken
Stückweiser Aufbau
Der fertige Lockschuppen
2012 Die Fertigstellung des Feuerwehrhauses links: das Grundgerüst steht
rechts: der Innenausbau
Die Elektronik unter dem Feuerwehrhaus ist mittlerweile
angewachsen
Das Feuerwehrhaus ist fertig
Die Gestaltung des Hauptbahnhofs links: die Planung der Oberleitung
rechts: der Bau der Fußgängerbrücke links: das Altern der Hauswände vor dem Zusammenbau
rechts: der halb fertige Hauptbahnhof Der Umzug Die Anlage vor dem Umzug
Die Vorbereitung zunächst habe ich alles wieder in kleine Module zerlegt Der Oberbau ist abgebaut Der Wiederaufbau links: der Unterbau steht schon wieder
rechts: die ersten Spannten sitzen bereits wieder an der richtigen Stelle
links: ich musste leider mitten durch die Fahrbahn sägen
rechts: es hat so einiges den Transport nicht heile überstanden
schrittweiser Wiederaufbau von unten nach oben
Der letzte Stand in 2012 Die Züge fahren wieder
2013 jetzt wird das Feuerwehrhaus in die Anlage integriert nur die Feuerwehrfahrzeuge haben einen Zusatzmagneten auf der
linken Seite.
eine Bushaltestelle entsteht nur die Buse haben einen Zusatzmagneten auf der rechten Seite. das Faller Car System in seiner ursprünglichen Form kann keine
Blinker bedienen deshalb habe ich meine Fahrzeuge auf DC-CAR umgerüstet mit Hilfe der Steuerungsplatinen (links) und den infra rot
LEDs (rechts) kann bei den Fahrzeugen z.B. die Geschwindigkeit reguliert werden
oder die Blinker Ein/Aus geschaltet werden 2014 die Planung der Innenstadt hinten: die Gebäudegrundfläche mit Mauerbrüstung steht
vorne: die Unterführung mit Treppenaufgang und Böschung der Fertigbau der Gebäude der Bau der Oberleitung in den Tunnels
die Planung der unteren Tunneleinfahrt und die Umsetzung
der Bergbau beginnt
2015 der Bergbau geht weiter
Der Weinberg ist fertig
Hier nun der Weg in kurzen Ausschnitten
Dass Grundgerüst
Die Styrodur Unterkonstruktion
Der Berg in Gips und die Mauer
Gras zwischen den Reben und die ersten Felsen
Die ersten Reben
Der fertige Block aus Styrodur und Gips, mit allen Reben
Der Weinberg ist fertig
Der komplette Block ist für einen eventuellen Transport abnehmbar
2016 der Berg ist in die Anlage integriert
die Stadt entsteht 2017 die Baustelle der Lärmschutzwand an der ICE Brücke der Kran wird zusammengebaut
der Aufleger wird montiert die Baustelle ist fertig
2018
Die Elektronik der Anlage habe ich jetzt auf Platten montiert
Jetzt kann ich sie ausklappen und komme so leichter an die Module
Ich habe eine Schranke vor das Feuerwehrhaus gebaut
Hier ein kleines Video dazu IMG_1650.mp4
Ampelanlage Teil 2
Die Ampeln hinter der Feuerwehr sind montiert
unter der Platte sieht man das Ausmaß der Kabel
Gesteuert wird die zweite und dritte Ampelanlage wieder über die bereits 2008
selbst programmierte Ampelsoftware via USB Board aus Teil 1
im Gegensatz zu den in Teil 1 verwendeten Faller
Stoppstellen werden die Fahrzeuge mittels Infrarot Signal
Umzug Nummer 2
Die Anlage ist zerlegt und verpackt
Die in 70 Umzugskartons verpackte Anlage am neuen Standort
Der Unterbau steht schon wieder
Die erste Ebene entsteht
Bei der Montage erhalten die Tunnel direkt eine Oberleitung
2019 Der Umzug ist abgeschlossen
Die selbst gebaute Vitrine hängt auch wieder
Die Werkbank ist bereit
2020
Die Stadt erhält Beleuchtung
Da ich die Stadt bereits beim Wiederaufbau in Module eingeteilt habe konnte ich
die einzelnen Stadtteile an der Werkbank bearbeiten
Aus Karton werden einzelne Fensterkästen gefertigt
Die fertigen Fensterkästen werden im Haus hinter die Fenster geklebt
So entsteht der Eindruck das nur einzelne Räume beleuchtet sind
Hier das fertig beleuchtete Häuser Modul
jetzt noch Bausteine einbauen damit die Beleuchtung nur bei
und die Kabel ordentlich verlegen, sonst bleiben die Stromabnehmer
Hier der zweite Stadtteil
und auch hier die Kabel ordentlich verlegen
Zusatz: Ich habe die komplette Anlagenbeleuchtung
mitlerweile auf DMX umgestellt. Aktuelle Bilder unter
NEUES
2021
3D Druck ermöglicht weitere Ideen
Ich bekam die Möglichkeit einen 3D Drucker zu testen, um zu sehen ob ich diesen
für die Modelleisenbahn verwenden kann.
mit dem 3D Drucker ...
...jeden Kopf einzeln ausdrucken
hier die Vorlage
hier die fertigen Köpfe (nach x mal grundieren und schleifen)
die Reihenfolge wegen dem Alter, und weil wir in der Regel so possieren
jetzt noch ein bisschen Gelände drum rum
und ab auf den Berg
Aber alleine hat es mir nicht so gefallen. Also musste ein Schloß dazu
das Schloss und WiMoVoJo
bei dem Schloss handelt es sich um ein Papierbastelbogen von Hohenschwangau
Mitlerweile arbeite ich bereits an einem neuen Projekt.
bei einem 3D Drucker auf FDM Basis wird (z.B. das orange PLA) Schicht für
Schicht aufeinanger gedruckt
Abbilder von mir in 80mm, 40mm und der H0 Größe 20mm
Lilien Schriftzüge aus dem Textverarbeitungsprogramm
Mehr zum 3D Druck auf meiner Anlage und
den verwendeten Geräten findet ihr hier 2022
Einbau der Oberleitung um den Lokschuppen hier ein kurzes Video
IMG_4157.MOV Mitlerweile steuere ich meine Anlage auch
noch mit einer CS2 und Mobile Station
Und zur Überwachung der Schattenbahnhöfe
habe ich, links neben die CS2,
Die Software ist
selbst Programmiert mit Visual Basic und Visual Studio
Zusätzlich
lassen sich jetzt auf Knopfdruck .WAV Dateien abspielen.
Das funktioniert auch mit einem Nylon Socken
über dem großen Staubsauger
und diesen
mit etwas Fils am Boden modifiziert
wichtig ist vor dem verleimen alles genau mit dem Pinsel zu verteilen
ein
paar Tropfen Spülmittel verbessern das Fließverhalten
dieser bleibt auch
nach dem Aushärten flexibel
Man sollte unbedingt die Anlage unten drunter oder die
Ebene drunter mit alten Zeitungen abdecken.
Es kommt also vor das man
plötzlich einen geringen Widerstand zwischen den Gleisen hat. Welches bei einem
Rückmeldemodul über Masse zum Auslösen reicht.
Also, besser abwarten mit dem
Testen
hier der Querschnitt und die ersten Bauteile des
Widerlagers
Holzkonstruktion und dann
von innen mit Karton verkleiden (das Papier hier diente nur als Schablone)

ich habe einen Schaltplan im
Internet gefunden und diesen dann in ein Layout umgewandelt


hier nur ein Beispiel:
http://www.bahn87.de/gras-master


Beim Annähern an die Weiche wird diese aktiviert und nur
Feuerwehrfahrzeuge werden auf das Gelände umgeleitet
Beim Annähern an die Weiche wird diese aktiviert und nur Buse fahren in die
Bushaltestelle

und der Weiterentwicklung der Ampelansteuerungselektronik
von den IR Dioden
an den Leitpfosten gestoppt. Bei grün wird das IR Signal unterbrochen und die
Fahrzeuge fahren weiter.
Dämmerung
und abwechselnd einschaltet
der Loks hängen wenn sie drunter durch wollen
Da kam mir eine Idee.
da
ich meine Geschwister schon immer mal auf meiner Anlage verewigen wollte und wir
eigentlich immer zu viert für Aufnahmen possieren,
dachte ich mir warum nicht
uns vier, so wie die vier Präsidenten auf Mont Rushmore, als Mount WiMoVoJo oben
auf den Berg platzieren
Willi, Moni, Volker, Jörg = Wi, Mo, Vo, Jo
bei einem 3D Drucker auf SLA Basis (hier
hautfarbenes Resin) wird Schicht für Schicht aus dem Resin Bad gezogen,
nachdem sie belichtet wurde (welches wesentlich genauer ist, und es muss nicht
erst noch lange geschliffen werden)
auf weißem Nassschiebepapier gedruckt und mit Mattlack fiziert
Die Schriftzüge sehen jetzt aus als wären sie gemalt
3D
eine Rückfahrkameraanlage eingebaut mit 4
Kameras
hier geht es erst einmal weiter mit "Neues"
08.10.2023 by Willi
Plößer