Die Vorteile von ISDN gegenüber
Analog
Die unterschiedlichen ISDN
Typen
Der NTBA
Die ISDN-Anschlussdose
IAE 8 (4)
Die ISDN-Anschlussdose
IAE 2x 8 (4)
Die Universal-Anschlussdose
UAE 8 (8)
Die Universal-Anschlussdose
UAE 2x 8 (8)
Die Universal-Anschlussdose
UAE 8/8 (8/8)
ISDN Kabel
Verkabelungsschema
Das ISDN Telefon
Der ISDN Adapter
ISDN Anlagen
ISDN PC Karten
Die
Vorteile von ISDN gegenüber Analog
Ultraschneller Verbindungsaufbau
Datenübertragungsgeschwindigkeit von 64 kbit/s pro Kanal. 128 kbit/s
bei Kanalbündelung möglich (wird leider nicht von T-Online
unterstützt).
2 Leitungen, bis zu 10 Rufnummern, Anklopfen, Makeln, Dreierkonferenz,
Rufnummernübermittlung und -anzeige, Rückruf bei Besetzt, Anrufweiterschaltung,
Übermittlung der Verbindungsentgelte
Getrennte Rechnung je Rufnummer
Kostenkontrolle durch kostenlose Einzelverbindungsübersicht
Gleichzeitig telefonieren und faxen oder online surfen über 2
Leitungen
Die
unterschiedlichen ISDN Typen
ISDN Arten:
- 1TRS
Deutsches ISDN (wird nicht mehr
vertrieben, Unterstützung läuft 2000 aus)
- DSS1
Euro ISDN (Standard)
Anschlussarten:
- Der Anlagenanschluss, PRI (Primary Rate Interface)
Für größere Telefonanlagen, 32
Kanäle gleichzeitig
- Der Mehrgeräteanschluss, BRI (Basic Rate Interface)
Für einzelne Geräte, 2 Kanäle
gleichzeitig,
an kleinere Telefonanlagen lassen
sich mehrere BRIs anschließen.
Anschlussvarianten:
- Standardanschluss
46,40 DM im Monat, inklusive 3
Rufnummern,
2 Kanäle und eine Rufnummernbezogene
Abrechnung
- Komfortanschluss
51,44 DM im Monat, zusätzlich
Anzeige der Gesprächskosten,
Rufumleitung und T-Net-Box (digitaler
Anrufbeantworter)
Der NTBA ( Network Termination Basis Anschluss ) ist der Übergabepunkt
zwischen der Telekom oder dem Wettbewerber und den Inhausgeräten. Dies bedeutet
das hinter dem NTBA auch ISDN Geräte anderer Hersteller betrieben
werden dürfen. Es bedeutet aber auch das hier die Fehlersuche der
Telekom endet, und etwaige Verkabelungsprobleme nicht von der Telekom beseitigt
werden müssen.
![]() |
Die Power / Status LED ist bei älteren NTBAs nur eine optische
Anzeige das die 220V Stromversorgung vorhanden ist.
Bei neueren NTBAs leuchtet sie nur wenn die Kommunikation mit dem Postnetz aufgebaut ist. Die 220V Stromversorgung ist nur notwendig wenn ISDN Endgeräte ohne eigene Stromversorgung am S0 Bus betrieben werden (z.B. ISDN Telefon). ISDN PC Karten erhalten ihren Strom vom PC und benötigen keine Stromversorgung über das S0 Kabel. Der Anschluss zum Postnetz wird in der Regel mit einem TAE Stecker realisiert. In den beiden RJ45 Buchsen können zwei ISDN Geräte direkt betrieben werden. Ist es notwendig eine hausinterne Verkabelung durchzuführen, etwa wenn ein ISDN Telefon im Flur und eine ISDN PC Karte im Büro betrieben wird, so kann der S0 Bus über die Anschlussklemmen erweitert werden.
|
|||||||||
![]() |
Bei neueren NTBAs haben die Anschlussklemmen keine Schrauben sondern sind
nur Steckverbinder die durch niederdrücken der Hebel gelöst werden können.
Die Anschlussbelegung der Anschlussklemmen weicht hier von der bisherigen Variante ab. Des weiteren gibt es hier einen Dipschalterblock über den einiges eingestellt werden kann. Auslieferungszustand:
|
Die ISDN-Anschlussdose IAE 8 (4)
Sie wird installiert für das Anschalten eines
ISDN-Endgerätes.
|
Bezeichnung 8 (4) bedeutet:
|
|
![]() |
4 Buchsenkontakte Buchse mit 8poligem Steckergesicht |
Die
ISDN-Anschlussdose IAE 2x 8 (4)
Sie wird installiert für das Anschalten von
zwei ISDN-Endgeräten in Busverkabelung.
|
Bezeichnung 2x 8 (4) bedeutet:
|
|
![]() |
4 Buchsenkontakte Zwei Buchsen mit 8poligem Steckergesicht |
Die
Universal-Anschlussdose UAE 8 (8)
Sie wird installiert für das Anschalten eines
Endgerätes.
|
Bezeichnung 8 (8) bedeutet:
|
|
![]() |
8 Buchsenkontakte Buchse mit 8poligem Steckergesicht |
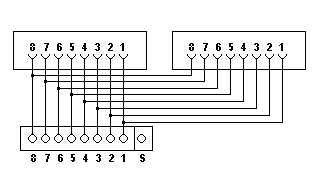
Die
Universal-Anschlussdose UAE 2x 8 (8)
Sie wird installiert für das Anschalten von
zwei Endgeräten in Busverkabelung.
|
Bezeichnung 2x 8 (8) bedeutet:
|
|
![]() |
8 Buchsenkontakte Zwei Buchsen mit 8poligem Steckergesicht |
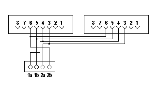
Die
Universal-Anschlussdose UAE 8/8 (8/8)
Sie wird installiert für das Anschalten von
zwei unabhängigen Endgeräten.
|
Bezeichnung 8/8 (8/8) bedeutet:
|
|
![]() |
8 Buchsenkontakte je Buchse zwei voneinander unabhängige UAE Buchsen mit je 8poligem Steckergesicht |
Für die Installation wird in der Regel der Kabeltyp I-Y (St) Y 2x2x0,6Lg verwendet:
2 paariges abgeschirmtes Kabel:

| a-Ader: | beim 1.paar jeder Lage rot (Zählpaar), bei allen anderen paaren weiß |
| b-Ader: | blau, gelb, grün, braun, schwarz in fortlaufender Wiederholung |
Bei diesen Kabeltypen erfolgt die Adernkennzeichnung durch schwarze
Ringe
| Paar 1: a-Ader ohne Ringbedruckung
b-Ader 1 Ring alle 17mm Paar 2: a-Ader 2 Ringe alle 34mm b-Ader 2 Ringe alle 17mm |
![]() |


+ geringer Preis
+ einfache Installation
- Adapter kann nicht erweitert werden
- nicht alle ISDN -Funktionen nutzbar
ISDN
Anlagen
Es gibt viele unterschiedliche ISDN Anlagen. Ein Unterscheidungsmerkmal
ist z.B. Anlagen mit oder ohne internem S0-Bus.
ISDN Anlagen ohne internem S0-Bus:
+ günstiger Preis
+ alle ISDN-Merkmale verfügbar
- nur analoge Endgeräte
- meist umständliche Installation
ISDN Anlagen mit internem S0-Bus:
+ intern kostenlose Gespräche mit echten ISDN-Geräten
+ Vermittlung zwischen den angeschlossenen Apparaten
+ alle ISDN-Merkmale verfügbar
- hoher Anschaffungspreis
*1 - Im Display erscheint nur die Nummer des Anrufers
sofern er diese freigeschaltet hat (analog), oder nicht unterdrückt
(ISDN).
*2 - Über die analogen Leitungen lassen sich
keine Rufnummern übertragen. Deshalb erscheinen bei analogen Geräten,
selbst wenn diese über ein Display verfügen, keine Rufnummern
der Anrufer im Display.